Dordrecht, Netherlands

Bouwwerk Hazelaarlaan blijkt wel degelijk hoofdgemaal

Het omstreden bouwwerk met schakelkast, aan de Hazelaarlaan in Dordrecht, is geen minigemaal, zoals de gemeente beweert, maar een hoofdgemaal.
Fokko van der Straaten | 7 maart 2021 19:05 | Aangepast op 7 maart 2021 19:05
Dat blijkt uit stukken van het Ingenieursbureau Drechtsteden, die getoond werden in het programma “Ouwe Jonges Krentebrood”.

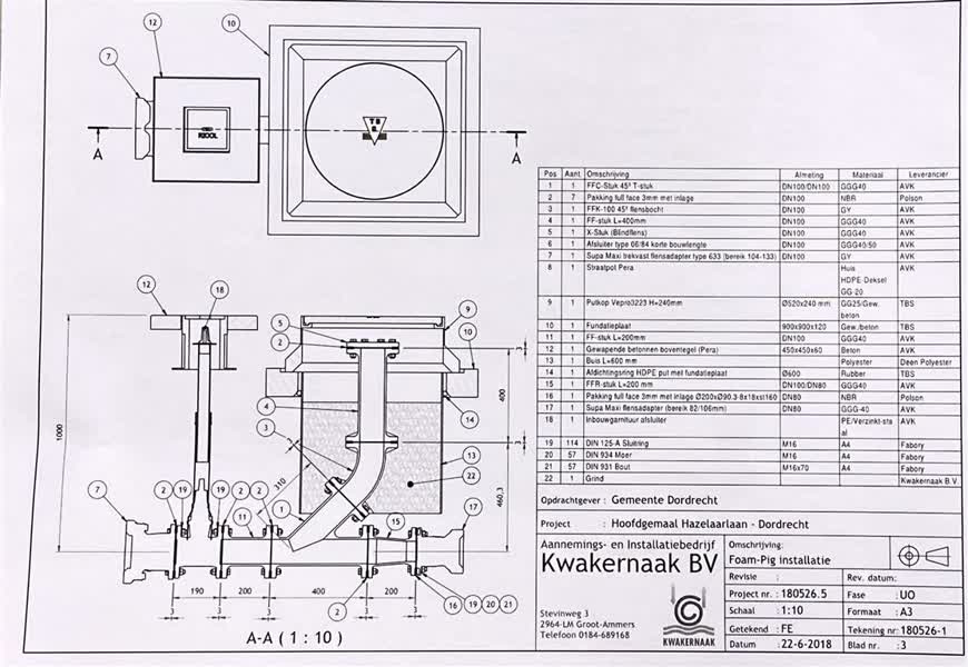
Op de tekeningen en specificaties van het bouwwerk staat letterlijk “Hoofdgemaal Hazelaarlaan”. Er is onder meer te zien, dat het gemaal ruim vier meter diep is en wordt afgedekt door een betonnen plaat van 250 bij 230 cm. In het gemaal bevinden zich twee pompen, die geleverd zijn door een bedrijf uit Gorinchem. Volgens dat bedrijf produceren die maximaal 110 decibel aan geluid.

De Omgevingsdienst Zuid Holland Zuid, die naar aanleiding van klachten metingen deed in de straat, zegt dat het gemeten geluid “ruim onder de norm” blijft. Na de plaatsing van gemaal en schakelkast, pal voor het raam van een woning, medio 2018, beloofde de gemeente Dordrecht bij herhaling dat de blunder hersteld zou worden door alles te verplaatsen.

In augustus vorig jaar kwam de gemeente terug op die toezegging. Om de kast uit het zicht te halen zou die vervangen worden door een lager exemplaar. Het gemaal zelf, dat plots een minigemaal genoemd werd, zou niet verplaatst worden omdat de kosten “in de tonnen” zouden lopen. In plaats daarvan werd de gedupeerde bewoners een schadevergoeding van 25 mille aangeboden.

Aannemers, die niet met naam genoemd willen worden omdat ze regelmatig werk doen voor de gemeente, zeggen dat de verplaatsingskosten van het gemaal veel lager zijn dan de gemeente zegt. Zij noemen bedragen rond 60 duizend euro. De schakelkast kan volgens hen tientallen meters verderop geplaatst worden. Het zou niet nodig zijn om die boven het gemaal te plaatsen.

Volgens een woordvoerder van de gemeente Dordrecht is het bouwwerk aan de Hazelaarlaan wel degelijk een minigemaal en berust de vermelding “hoofdgemaal” op de stukken van het ingenieursbureau op “een vergissing”. Aannemers geloven dat niet: “een mini-gemaal is veel kleiner en ook de schakelkast daarvan is kleiner”. 

De vraag of hier sprake is van een hoofdgemaal of minigemaal is belangrijk, omdat een minigemaal zou vallen onder “Type A inrichtingen”, waarvoor geen vergunning noodzakelijk is en verplaatsing volgens de regelgeving niet noodzakelijk zou zijn. Naar aanleiding van deze kwestie gaan PvdA, VSP, GroenLinks, SP en PVV opnieuw vragen stellen aan B&W van Dordrecht.

Meest gelezen

Man steelt pinpas van Dordtse school en pint bij Ajax-winkel

Redactie Streek 56 | Bureau Rijnmond | 10 okt 2025 14:00

Lees ook

Tour of Holland raast door de regio: bekijk hier de mooiste beelden

De polders in Molenlanden, de molens van Kinderdijk, de Dordtse binnenstad en natuurlijk de Zwijndre...

Fietsfeest in Dordrecht: niet alleen op, ook naast Tour of Holland-parcours

De Tour van Holland is na ruim twintig jaar terug van weggeweest. De eerste etappe van de wielertour...

Gemeente maakt een miljoen vrij voor krakkemikkige kleedkamers voetbalclub

De gemeenteraad van Sliedrecht heeft unaniem besloten te investeren in voetbalclub v.v. Sliedrecht. ...

Dienst GR-Sociaal, op loket na, niet naar Dordthuis maar naar Achterom

De gemeenteraad in Dordrecht heeft dinsdagavond ingestemd met nieuwe verhuisplannen van de GR-Sociaa...

Extra ondersteuning starters Papendrecht, miljoen extra in leenpotje

De raad van Papendrecht stelt opnieuw geld beschikbaar voor de starterslening. Met een miljoen euro ...

Nieuwe kinderburgemeester geïnstalleerd: 'Kinderen moeten meer buiten spelen'

Dordrecht heeft een nieuwe kinderburgemeester. Tijdens de gemeenteraadsvergadering van dinsdagavond ...